弗戈工业传媒
  • 行业
    流程工业 汽车 金属加工 物流 自动化与驱动 制药 实验分析
  • 会议
  • 数据
  • 视频
  • 直播
  • 课程
  • 展会
  • 登录 丨 注册
  • {nickname} 用户中心 [ 安全退出 ]
上一页 下一页

简介

AI《汽车制造业》2025-04期
AI《汽车制造业》2025-04期
年份:2025年 / 期数:第 4 期
总期数:总 698 期
点赞 0 收藏
分享到
图片目录 文字目录 收藏杂志 往期杂志

图片目录

文字目录

  • 全球TOP100汽车零部件供应商排行榜
    全球TOP100汽车零部件供应商排行榜

    全球TOP100汽车零部件供应商排行榜日前发布,100家供应商在汽车零部件行业当中各领风骚,中国有12家汽车零部件供应商跻身百强榜单。数据显示,全球汽车行业仍处于变革之中,—部分传统供应商业务萎缩的同时,新兴科技企业正在强势抢占新市场。

  • 赵立金:未来汽车科技竞逐的三大方向
    赵立金:未来汽车科技竞逐的三大方向

    在汽车产业的变革当中,汽车科技创新的方向也正在发生转变,有一些新的发展方向值得关注。一是电动化与智能化深度叠加、相互赋能之下,提升原始创新能力是根本。二是智能化、网联化的协同发展和跨产业融合创新的势能正不断增强。三是绿色低碳与国际化的融合当中,深化全球科技合作仍是重要一环。

  • 中国新能源汽车市场分析与展望
    中国新能源汽车市场分析与展望

    中国新能源汽车取得了阶段性的领先优势,逐渐主导国内市场并引领全球市场发展,这对汽车产业、企业、产品和技术演进都会产生重要影响。有鉴于此,本文对中国新能源汽车市场的最新现状进行了整体解读和展望,进而从不同车企类型、不同动力形式、不同价位区间以及智能化技术发展这四个维度,深入分析新能源乘用车的市场特征,前瞻预判其面向未来的主要趋势,为汽车行业提供参考和借鉴。

  • 纯电动重卡销量趋势、动力电池布置分析及制造策略研究
    纯电动重卡销量趋势、动力电池布置分析及制造策略研究

    本文探讨了纯电动重卡充电车和换电车两种模式下动力电池的不同布置形式,并分析了各自的性能、外观以及制造装配工艺优劣势,提出了结构布置选择及制造工艺应对策略。

  • 一种并联形式的新能源汽车电池自动装配工作站研究
    一种并联形式的新能源汽车电池自动装配工作站研究

    由于同级别新能源车型整备质量大于传统燃油车型,所以部分传统燃油车型生产线机械化承载能力存在不满足新能源车型承载能力的问题,无法实现柔性化生产的需求。针对传统生产线,融入自动装配工作站等新的规划设计工艺,以此可以实现自动化、柔性化的共线生产传统燃油车型与新能源车型的机械化承载问题。

  • 新能源汽车铝合金冲压生产铝屑控制方法
    新能源汽车铝合金冲压生产铝屑控制方法

    新能源汽车飞速发展,铝合金冲压件被大量采用,铝合金冲压件在生产过程中,模具切边过程产生料屑。本文深入剖析铝合金冲压过程中铝屑产生的根源,系统构建涵盖工艺处理、结构优化、结构创新的全流程铝屑控制体系。通过工程实践验证,该方案可显著降低生产成本,有效提升企业在新能源汽车铝合金冲压件制造领域的市场竞争力。

  • AI 视觉革新:焊装车间检验的智能化升级
    AI 视觉革新:焊装车间检验的智能化升级

    本文针对焊装车间错漏检验工艺的痛点,提出基于深度学习的 A I 视觉检测技术方案。通过对比传统人工检验(效率低、错漏率约 1%)与 A I 视觉检测(准确率 99.9%、检测速度 0.4 s / 件)的性能差异,验证了该技术在降低返工率、提升产线节拍及实现数据化管理方面的显著价值。并构建了一套端到端的智能化检测系统,并通过整车三工厂焊装车间的实际部署案例,证明其单工位年节约成本约 21 万元的经济效益。

  • 多车间多车型滚床式WBS在焊装车间的应用
    多车间多车型滚床式WBS在焊装车间的应用

    北汽福田汽车投入全新车型——超级VAN新能源汽车,因而在福田全球多功能中心工厂建设了一条目前国内商用车线体自动化程度最高的生产车间。本文通过对北汽福田汽车全新超级VAN新能源汽车焊装车间滚床式WBS的介绍,对工艺路线、控制系统及设备进行了分析,充分展示了工业4.0机运系统的自动化、智能化、多车型以及多车间的应用。

  • 基于机器视觉的汽车总装底盘与轮胎质检系统
    基于机器视觉的汽车总装底盘与轮胎质检系统

    针对汽车底盘与轮胎质检中人工检测效率低、错漏频发的问题,本文提出了一种基于机器视觉的创新检测系统。该系统通过 DBNet 模型精准定位车辆识别号(VIN 码),结合 CRNN 模型实现文本识别,利用 YOLO 网络进行轮胎与底盘的实时检测。系统创新性地融合了多模型协同工作,实现了检测过程的自动化和数据的可追溯性。试验结果表明,该系统在关键工位问题检出率和过线车辆质量记录率均达到100%,显著提升了检测效率和装配质量,为汽车制造企业提供了高效、可靠的质检解决方案。

  • 汽车总装多平台多车型混线生产工艺方法
    汽车总装多平台多车型混线生产工艺方法

    汽车多平台多车型混线生产在保证产量同时,又要保证混线的工位平衡,减少人力浪费,更要保证过程质量。从人机料法分析共线的挑战,运用ECRS,工位平衡按照装配可替代、主线工位工时替代及减少主线生产件数量。生产产量按照主线设备满节拍规划要求,工艺规划同步考虑物流空间。生产过程质量需制定防错方法等多角度应对挑战。

  • 基于整车正面碰撞仿真的动力电池下壳体结构优化
    基于整车正面碰撞仿真的动力电池下壳体结构优化

    以某款新能源乘用车型为研究对象,基于整车碰撞仿真结果对动力电池总成下壳体进行设计开发,目的是提高新能源汽车动力电池总成力学强度,避免电池受到外力碰撞而起火爆炸,该研究对整车安全具有重要意义。

  • 某车用永磁同步电机退磁问题的分析与优化
    某车用永磁同步电机退磁问题的分析与优化

    通过对某车用永磁同步电机退磁案例的分析,将造成电机转子退磁问题的原因大概分为硬件方面、测试方面和控制方面,并逐个分解和制定相应的验证计划,排查造成该车用永磁同步电机退磁故障的关键因素,针对这些因素提出优化改善的研究方向,为永磁同步电机退磁问题的分析提供理论支持和案例依据。

  • 某混动专用发动机开发及仿真
    某混动专用发动机开发及仿真

    为开发某款混动专用发动机,本文基于 AVL-BOOST 软件搭建相应的一维热力学仿真模型,重点完成两款凸轮型线整机热力学结果对比以及两款增压器匹配分析,最后基于选定的硬件状态对万有最低比油耗进行仿真预测。整机动力性和经济性满足设计指标要求,为该混动专用发动机的开发及硬件选型提供指导和建议。

  • 四轮转向系统的控制算法研究及遗传算法的应用潜力分析
    四轮转向系统的控制算法研究及遗传算法的应用潜力分析

    针对诸多行驶场景下汽车转向不足的问题,本文对比了四轮转向系统与前轮转向系统的差异。为实现小半径转向的同时保持车身稳定的目的,详细分析了质心侧偏角及横摆角速度在模糊控制、滑模控制和神经网络中的控制效果,最后研究了遗传算法在转向稳定性控制中的应用潜力。

  • 基于汽车前保险杠饰条注塑浇口的设计与分析
    基于汽车前保险杠饰条注塑浇口的设计与分析

    为尽可能减少汽车前保险杠上的塑料饰条在注塑过程中出现的质量与外观问题,在点浇口、侧浇口和潜伏式浇口类型中,本文在多方因素考虑下选用潜伏式浇口进行方案设计。方案为在饰条模具上选择四处位置浇口,并运用模流软件从填充时间、流动前沿温度、缩痕估算、熔接痕、体积收缩率和翘曲维度对四种方案进行分析。通过对比分析,方案四较为合理,为饰条模具浇口位置选择提供参考。

  • CVT阀芯孔加工缩孔的刀具问题改善
    CVT阀芯孔加工缩孔的刀具问题改善

    在CVT阀体生产中,针对阀芯孔加工缩孔导致刀具寿命被严重降低的问题,从“人机料法环”方面进行全面分析,得出刀具设计尺寸和切削参数两项关键影响因素。制定措施增加刀具本体设计尺寸、优化切削参数等,成功解决刀具寿命低问题,达到降本增效目标。

  • 变速器装配线过程能力及质量管理提升
    变速器装配线过程能力及质量管理提升

    变速器匹配的主机厂数量增多,对产品的需求也越来越多元化,不再是以前那种较为单一产品的生产模式,一条装配线已有几十种不同结构的箱型,客户订单种类达千余种。产品的复杂性也对工艺规划的合理性、产线设备的稳定性、防错手段的有效性、流程管理的规范性以及操作人员的技能水平带来了更高的要求。

  • 静电防护技术在双离合变速器生产过程的应用
    静电防护技术在双离合变速器生产过程的应用

    本文首先介绍了静电对电子元器件的危害,然后阐述了静电的产生原理、静电损伤元器件的原理以及静电的防护方法,最后将静电防护技术应用在双离合变速器的生产中,为今后含有电子元器件的变速器生产过程中的静电防护提供参考。

  • 整车产线的4D毫米波雷达高效标定工艺研究
    整车产线的4D毫米波雷达高效标定工艺研究

    作为自动驾驶和高级驾驶辅助系统(ADAS)中的关键感知设备,毫米波雷达在辅助驾驶系统中得到了广泛应用。本文详细探讨了 4D 毫米波雷达传感器在生产线上的高效标定方法,该方法可确保其外部参数的高精度和可靠性,为智能驾驶的安全性和稳定性提供了强有力的技术支持。

  • 绿色钢铁之路
    绿色钢铁之路

    世界钢铁行业正在必然地走向绿色环保,所有知名钢铁生产商都在积极行动以降低碳排放。但大家可能不太清晰的是,所谓的“绿色钢铁(Green Steel)”,其成本会不会增加?客户会不会接受这些成本?钢铁生产商在生产汽车用绿色钢铁的道路上还要走多久?

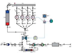
  • 空气源热泵用于输调漆温控系统的节能降碳效果分析
    空气源热泵用于输调漆温控系统的节能降碳效果分析

    在“双碳”目标下,汽车制造业对节能降碳的要求越来越迫切。在涂装车间,冷量和热量由制冷机组和锅炉分别提供,产生了较高的碳排放。空气源热泵是一种能够同时提供冷量和热量的设备,应用于涂装车间的输调漆温控系统时,具有明显的节能降碳效果。其制冷模式下的性能系数与水冷式机组相当,制热模式下的能耗和碳排放量明显低于电加热器,同时取消了对车间24h冷水的需求,简化了车间公用系统,在涂装车间具有一定的推广价值。