弗戈工业传媒
  • 行业
    流程工业 汽车 金属加工 物流 自动化与驱动 制药 实验分析
  • 会议
  • 数据
  • 视频
  • 直播
  • 课程
  • 展会
  • 登录 丨 注册
  • {nickname} 用户中心 [ 安全退出 ]
上一页 下一页

简介

AI《汽车制造业》2026-1期
AI《汽车制造业》2026-1期
年份:2026年 / 期数:第 1 期
总期数:总 702 期
点赞 0 收藏
分享到
图片目录 文字目录 收藏杂志 往期杂志

图片目录

文字目录

  • 理想汽车与泰科电子共筑汽车智能化新生态
    理想汽车与泰科电子共筑汽车智能化新生态

    近日,在“泰科电子走进理想汽车”的技术日活动中,《汽车制造业》记者有幸采访到了理想汽车供应链副总裁孟庆鹏和泰科电子汽车事业部中国区副总裁兼总经理孙晓光,与他们展开了一场深度对话。围绕“汽车智能化”的核心话题,双方共同回溯了十年合作历程,共话技术演进路径,并系统阐述了以“共赢、创新、链接”为核心的产业协同哲学。

  • 价值重构 生态竞争
    价值重构 生态竞争

    中国汽车正经历着一场深刻的价值革命和产业转型,以粗放增长为特征的旧周期正在落幕,一个以核心技术、体系化能力和全球生态竞争为标志的高质量发展新周期已然开启。

  • AI驱动下的汽车产业发展趋势及应对策略
    AI驱动下的汽车产业发展趋势及应对策略

    《汽车制造业》编委会主任委员赵福全在中国汽车人才高峰论坛上,发表了题为《AI驱动下汽车产业发展趋势的预判与应对策略》的主题演讲,深入阐述了AI的本质及其如何重塑世界,精要分析了AI给人类带来的重大改变及挑战,前瞻研判了AI驱动汽车产业发展的主要趋势,最后提出了汽车产业拥抱AI的应对策略。以下内容由清华大学汽车产业与技术战略研究院和《汽车制造业》编辑部根据赵福全教授的现场发言要点整理。

  • “锂欧佩克”的崛起与我国锂资源安全战略研究:挑战、影响与应对路径
    “锂欧佩克”的崛起与我国锂资源安全战略研究:挑战、影响与应对路径

    锂是新能源汽车与储能系统的关键原材料,其战略价值日益凸显。2025年7月,玻利维亚、阿根廷和智利组建了全球首个锂资源协调机制——“锂欧佩克(LithiumOPEC)”,通过股权管控、上调开采费与推进定价主导等方式,试图重塑全球锂资源供应链的利益分配格局。本文分析其形成背景、运作机制及对我国锂产业链的影响,并从构建自主可控供应体系、推动产业链技术迭代与协同升级、加强国家统筹与海外风险防控以及深化国际合作与全球治理参与四个维度提出应对策略,以增强供应链韧性、降低对外依赖并提升产业话语权,为我国新能源产业高质量发展与资源安全提供支撑。

  • “双碳”战略下零碳园区建设路径与实现策略研究
    “双碳”战略下零碳园区建设路径与实现策略研究

    汽车产业园区是国民经济发展的重要载体,也是能源消耗与碳排放的关键区域。在“双碳”战略持续深化的背景下,推动汽车零碳产业园区建设,已成为引领汽车产业绿色低碳转型的核心抓手与前沿实践。本文聚焦汽车零碳产业园区的全生命周期,从技术路径与实施策略两方面展开研究,以期为汽车低碳园区的规划与建设提供理论支撑与实践参考。

  • 基于动力吸振器的某纯电SUV车型路噪优化
    基于动力吸振器的某纯电SUV车型路噪优化

    针对某在研纯电SUV在82Hz附近出现的中频路噪问题,开展系统性的诊断与控制研究。通过主成分分析(PCA)、工作变形分析(ODS)与模态测试,识别出后扭力梁与尾门中部外板局部结构共振为主要贡献源。在此基础上,提出在扭力梁两端增加动力吸振器的优化方案。实车测试表明,该方法可显著降低82Hz附近的噪声峰值,并降低70~100Hz频带整体噪声,有效解决中频路噪问题,对提升整车声品质具有重要意义。

  • 满足ASIL D的车载12V钠离子电池系统
    满足ASIL D的车载12V钠离子电池系统

    本文系统性阐述以层状过渡金属氧化物为正极材料,创新性地开发了一种车载12V钠离子软包单体电池,并通过1P4S成组方式实现12V电池系统集成。在此基础上,内嵌配电模块(Power Distribution Controller,PDC),构建了一种高压电池与12V电池互补供电的新型低压电源架构。通过冗余设计、实时状态监控以及故障快速隔离策略,保障传感器、控制器等关键系统的持续稳定供电,实现面向L3级自动驾驶的高安全低压供电方案。

  • 某新能源电驱系统减速器温升分析与优化
    某新能源电驱系统减速器温升分析与优化

    减速器作为电驱动系统的关键组成,其温升水平直接影响整机性能与寿命。本文针对某新能源车型匹配的水冷电驱系统减速器温升过高问题开展分析与优化研究。通过试验验证与理论分析,明确了减速器温升的主要来源,包括齿轮啮合摩擦、轴承摩擦、润滑油搅拌损耗以及散热环境等。在此基础上,提出了以散热结构优化为核心的改进方案,并通过热—机耦合仿真与实车试验验证其有效性。研究结果表明,优化设计显著降低了减速器最大温升,提高了热分布均匀性和系统效率,增强了系统运行可靠性。

  • 新能源汽车驱动电机恒功率区间转矩衰减的应对方案与工程实践
    新能源汽车驱动电机恒功率区间转矩衰减的应对方案与工程实践

    本研究聚焦于新能源汽车驱动电机外特性曲线中的“恒功率区间转矩衰减”问题。通过理论计算与工程实践相结合,提出三种差异化解决方案:HEV产品框架下的多能源耦合补偿、PHEV/EV单速电机的性能冗余与高效区扩展,以及EV车型依托多档变速器的系统级能效重构。研究结果表明,通过多档变速器优化、电机性能提升与智能换档策略协同,可有效弥合恒功率区间转矩衰减带来的动力缺口,实现全工况下动力性与经济性的平衡。

  • 车用 PMSM 驱动系统定子电流规划及复合滑模控制
    车用 PMSM 驱动系统定子电流规划及复合滑模控制

    车用永磁同步电机(PMSM)发展迅速。针对 PMSM 数学模型,本文研究定子电流的稳态优化及其动态控制方法。提出并改良两种定子电流规划算法,分别为经济优化算法(EOA)以及带恒反电动势(CBE) 弱磁控制的最大转矩电流比算法(MTPA)。进一步提出复合滑模控制策略,用以实现两种算法参考定子电流矢量的平滑切换,降低电磁转矩纹波与电流波动,并提升系统的动态性能与稳定性。仿真与台架实验结果验证了所提方法的有效性。

  • 基于性能分布特性的换档控制标定初值设置方法
    基于性能分布特性的换档控制标定初值设置方法

    传统的换档控制标定初值一般采用部分样本车辆的学习值均值计算,难以保证大批量制造车辆的初始换档质量。本文提出换档控制初值标定方法,首先通过实车测试不同标定参数对应的换档质量,得到整车性能指标曲线;其次,积累多车数据,形成不同的硬件参数下的性能指标曲线;然后采用数据驱动算法建 立“硬件特征参数—控制标定参数—整车性能指标”的三维映射曲面;最终基于整车性能分布特性与硬件 散差分布,求解最大化整车性能指标的最佳换档标定初值。在某车型上实际应用该方法,明显提升了车辆的初始换档质量。

  • 电动汽车交流口电子锁优化设计
    电动汽车交流口电子锁优化设计

    通过对新国标电动汽车交流充电口电子锁的需求进行分析,本文系统阐述了一款电子锁的理论设计与验证。该方案满足扁平化、高顶出力和高防护等级等要求,解决了目前电子锁普遍存在的高度过高、顶出力不足及防护等级偏低等问题,从而避免充电座外形设计受限,以及因异物顶不出或内部结冰导致功能失效等情况。

  • 6063-T6铝合金汽车门槛梁高周疲劳性能的研究与分析
    6063-T6铝合金汽车门槛梁高周疲劳性能的研究与分析

    本文主要研究了牌号6063、热处理状态T6用于汽车门槛梁的铝合金疲劳性能及压溃试验侧碰吸能。疲劳性能主要采用了升降法和成组法。经过数据分析与图表解析找,出中值疲劳极限和中值对数疲劳寿命。根据两套方法的结果绘制半对数坐标的S-N曲线,较为直观地分析了6063-T6铝合金汽车门槛梁的应力和循环周次之间关系。该方法为该型号的铝合金在汽车门槛梁上的应用提供了较为直观的安全指标。

  • 重卡挡泥板支架断裂失效分析
    重卡挡泥板支架断裂失效分析

    采用断口分析、化学成分分析、拉伸试验、金相组织检验及CAE仿真等方法,对某重卡挡泥板支架断裂问题进行了失效分析。结果表明:断裂失效的主要原因是连接螺栓异常松动/脱落导致支架约束失效,在交变载荷下引发折弯拐角处应力集中并产生疲劳裂纹,最终发生断裂;次要原因是原材料中非金属夹杂物等级超标,促进了裂纹的萌生与扩展。因此,建议将关键连接螺栓的拧紧力矩纳入工艺文件,并加强过程监控与检测;同时严格控制原材料质量,规范非金属夹杂物等级的验收标准。

  • 基于工业机器人的焊装白车身自适应打磨系统的开发及应用
    基于工业机器人的焊装白车身自适应打磨系统的开发及应用

    传统焊装白车身的人工打磨环节存在效率低、质量一致性差以及职业健康风险高等问题。本文引入基于工业机器人的自适应打磨系统。结果表明,该系统在质量方面可使线束划伤、事故率降低约90%;在安全方面显著降低职业病风险并实质性改善作业环境;在成本方面年均节约人工成本约127万元。

  • 一种结合IoT的无人化车载EOL老化测试生产方案
    一种结合IoT的无人化车载EOL老化测试生产方案

    针对传统主机厂依赖“一次合格”检测原则,导致难以全面管控测试过程风险的问题,本文提出了一种基于物联网(IoT)的无人化车载EOL老化测试方案。该方案通过在总装电检流程中集成测试App,建立专用测试场地,并依托IoT系统实现测试数据的自动上传与智能判断,显著提升了车辆出厂质量。实际应用表明,该体系在试制车型应用中使问题率由9.3%降至5.25%。

  • 车身涂装智能输送装备的研究与开发
    车身涂装智能输送装备的研究与开发

    以构建车身涂装高效、简捷和智能化输送线为目标,围绕相关机构设计与控制技术开展研究。在充分考虑产品成本、性能指标、技术先进性以及系统性、可扩展性和可维护性等因素的基础上,设计了一种基于现场总线控制的新型旋转式智能小车输送机。该系统可有效提升汽车涂装生产的柔性化、智能化与可靠性水平。

  • 产品设计与工艺规划结合的增效降本应用探索
    产品设计与工艺规划结合的增效降本应用探索

    一款产品或一条产线的效能,取决于产品与工艺本身的设计水平。优秀的产品构造与卓越的工艺策划,往往能够自然带来更高效的制造能力。本文围绕产品与产线设计展开,从产品端(平台化、模块化)与规划端(规划通用化、工艺标准化)两个方向进行探索与论述,旨在实现高质量、高效率、高柔性且低成本的规划设计理念,打造精益高效的智能制造场景。

  • 供应链视角下的汽车制造业压缩空气系统优化管理
    供应链视角下的汽车制造业压缩空气系统优化管理

    本文从供应链管理视角出发,系统探讨现代汽车制造企业高效、可靠压缩空气系统的构建策略与管理方法。首先分析压缩空气系统在汽车制造企业供应链中的重要性,并从应用角度阐述其对工艺、质量与能效的影响。随后从系统设计、优化策略与供应链协同等维度提出构建高效系统的具体方法,并基于全生命周期管理理念,进一步优化压缩空气系统的能源效率,为汽车制造业绿色转型提供可行的实践路径。

  • 汽车零部件物流成本的数字化模型构建及应用
    汽车零部件物流成本的数字化模型构建及应用

    本文聚焦数字化技术与物流成本管理的深度融合,通过对供应商分布、生产计划波动、仓储管理水平、 运输路线选择及包装方案设计等多个方面的分析,探讨影响汽车零部件物流成本的关键因素,揭示各因素如何共同作用于物流成本变化。同时,本文通过拆解物流成本因子,构建数字化成本模型,以实现降低物流成本、提高运营效率的目的。最后,以国内某汽车企业为实际应用案例,验证了数字化模型在物流成本管理精度与管理效率方面的有效性。

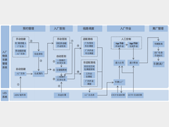
  • 汽车主机厂入厂物流车辆数智管理系统应用实践
    汽车主机厂入厂物流车辆数智管理系统应用实践

    针对某商用车主机厂入厂物流存在园区车辆调度能力弱、过程信息不可视、车辆无预约管理导致进厂秩序混乱及易拥堵等问题,本文采用数智化技术设计并建设了一套入厂物流车辆管理系统。系统具备车辆预约、到厂签到、路线调度、厂内作业管理和车辆离厂管理等业务数字化能力。系统上线后,结合运行数据对应用收益进行了分析,并进一步提出智慧园区建设的发展展望。