本文件按照 GB/T 1.1—2020《标准化工作导则 第 1 部分:标准化文件的结构和起草规则》的规定起草。
本文件是QC/T 1206《电动汽车动力蓄电池热管理系统》的第 2 部分。
QC/T 1206 已经发布了以下部分:
——第 1 部分:通用要求;
——第 2 部分:液冷系统。
请注意本文件的某些内容可能涉及专利。本文件的发布机构不承担识别专利的责任。
本文件由全国汽车标准化技术委员会(SAC/TC 114)提出并归口。
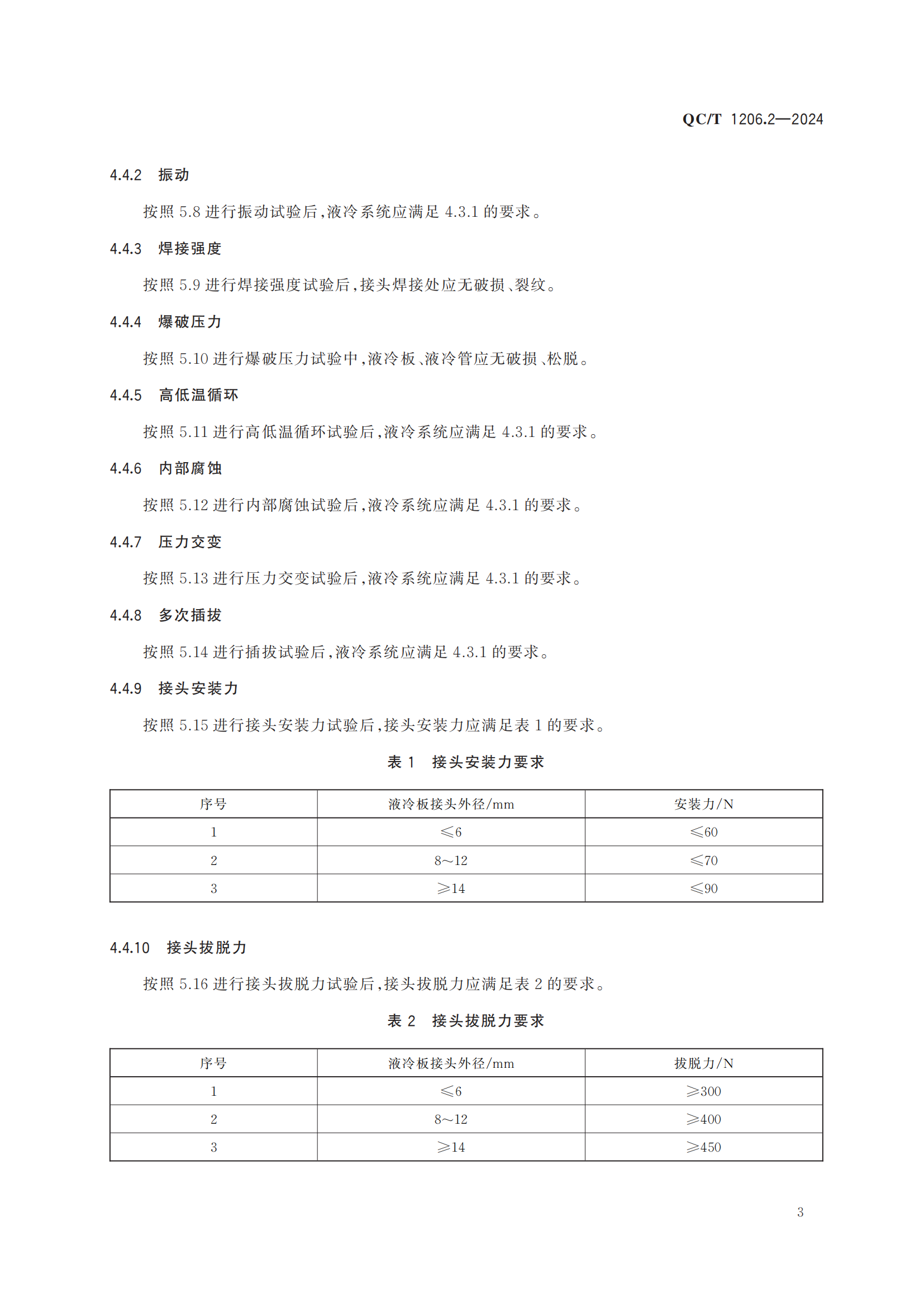
查看完整内容,请点击下载。
登录后可发表评论
AI汽车制造业
18518227486
评论
加载更多