
纳芯微正式推出车规级隔离半桥驱动芯片NSI6602MxEx系列,该系列在纳芯微明星产品NSI6602基础上,集成了米勒钳位功能,同时兼具高隔离电压、低延时、死区可配、欠压阈值可选等特点,适用于驱动SiC、IGBT等器件,可广泛应用于新能源汽车OBC、DC/DC、主动悬架等场景。
NSI6602MxEx与NSI6602功能框图对比
5A米勒钳位功能助力半桥电路安全可靠
在实际应用中,OBC/DCDC、工业电源、电机驱动等桥式电路的功率器件容易发生串扰行为,尤其伴随着第三代功率器件如SiC和GaN的应用,门极阈值电压以及最大耐受负压双双减小,使得抑制寄生导通的电压裕量在不断减小。在使用传统半桥驱动芯片时,为了避免因米勒效应引发的桥臂直通,通常需要调整驱动电路。
然而,在很多情况下,即使精心调整了驱动参数、正负供电电压,以及优化PCB栅极寄生参数,也难以同时将正负串扰控制在安全余量以内。这不仅限制了碳化硅等器件性能的发挥,也可能带来潜在的安全隐患。

开关过程中米勒效应原理
纳芯微推出NSI6602MxEx系列,为两路半桥驱动电路集成5A能力的米勒钳位功能,能够为米勒电流提供最小阻抗释放路径,有效抑制串扰电压的抬升。NSI6602MxEx在NSI6602基础上全副武装,为SiC等器件的安全应用保驾护航。
NSI6602MxEx米勒钳位方案应用分享
在使用SiC功率器件时,由于其高dv/dt特性,门极常常遭遇正负串扰电压(Vswing)幅度超出门极开启阈值(Vgsth)及负向耐压极限(Vgs_min)的情况。这种串扰容易导致误导通或器件损伤,是高性能驱动设计的一大挑战。

常规驱动方案
如上图常规解决 SiC 器件门极串扰方案所示,这些传统手段虽然“理论可行”,但在高频高压的SiC应用中仍难以同时达到低损耗与安全余量的双重目标。
下图展示了某款SiC器件分别搭配NSI6602MxEx和传统无米勒钳位驱动芯片的对比测试结果。在相同驱动参数与layout条件下,NSI6602MxEx能显著抑制正负Vswing,搭配适当负压关断后,可将门极串扰压制至安全范围以内。

不同器件的串扰摆幅Vswing对比波形

不同方案效果对比
更进一步,对于部分 Ciss/Crss 优化良好的器件,NSI6602MxEx 甚至无需负压,也能实现串扰可控,极大降低系统设计复杂度。
附:测试电路及上管开通关断时刻下管测试波形

NSI6602MxEx测试电路
上管开通时刻下管测试波形
±10A输出电流助力外围电路精简设计
NSI6602MxEx提供超强驱动能力,最大可输出10A的拉灌电流,支持轨到轨输出。无论是直接驱动更大栅极电荷(Qg)的功率管,还是在多管并联的应用中,与传统方案相比,NSI6602MxEx无需额外添加缓冲器,即可实现高效驱动,有效简化外围电路设计。此外,32V最大工作电压,极限35V的最大耐压,可以应对更高的EOS冲击,搭配精简的驱动外围设计,大幅提高了整个电路系统的可靠性。
可编程死区及多档欠压阈值助力设计灵活配置
NSI6602MxEx支持通过DT引脚进行死区配置,通过调整下拉电阻可以灵活配置不同死区时间,此外还可以将DT引脚直接接到原边VCC用来两路驱动并行输出;搭配DIS/EN两种可选的使能逻辑,为终端应用提供丰富的控制逻辑;另外,副边电源欠压UVLO设有8V,12V,17V三种选择,适配于IGBT和SiC应用中多种电源设计场景的欠压保护。
NSI6602MxEx产品特性:
l 5700VRMS隔离耐压,可驱动高压SiC和IGBT
l 高CMTI:150 kV/μs
l 输入侧电源电压:3V ~ 18V
l 驱动侧电源电压:高达 32V
l 轨到轨输出
l 峰值拉灌电流:±10A
l 峰值米勒钳位电流:5A
l 驱动电源欠压:8V/12V/17V三档可选
l 可编程死区时间
l 可选的正反逻辑使能配置
l 典型传播延时:80ns
l 工作环境温度:-40℃ ~ 125℃
l 符合面向汽车应用的 AEC-Q100 标准
l 符合 RoHS 标准的封装类型:SOW18,爬电距离 >8mm

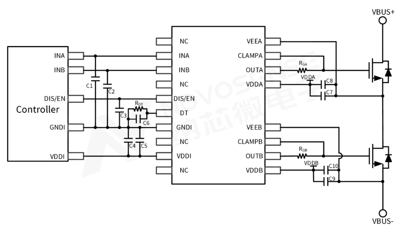
典型应用电路
产品选型与封装
NSI6602MxEx系列提供六种型号可选,具备丰富的使能逻辑配置和驱动电源欠压值规格,灵活适配多种应用场景。

关于纳芯微
纳芯微电子(简称纳芯微,科创板股票代码688052)是高性能高可靠性模拟及混合信号芯片公司。自2013年成立以来,公司聚焦传感器、信号链、电源管理三大方向,为汽车、工业、信息通讯及消费电子等领域提供丰富的半导体产品及解决方案。
纳芯微以『“感知”“驱动”未来,共建绿色、智能、互联互通的“芯”世界』为使命,致力于为数字世界和现实世界的连接提供芯片级解决方案。
纳芯微
龚淑娟
李峥
法雷奥凭借其战略合作伙伴关系、持续创新能力以及积极的成本与流程优化而获得认可。大众汽车集团特别表彰了法雷奥的“卓越成就与创新实力”。
2025-07-11
2026展位预定现已全面启动,诚邀全球伙伴共赴东方之约! 作为享誉全球的德国bauma展在中国的延伸,bauma CHINA(上海国际工程机械、建材机械、矿山机械、工程车辆及设备博览会)自2002年入世中华,已历经20余年发展。
2025-07-09
2026-02-26
2026-02-27
2026-02-28
2026-02-24
2026-02-24
2026-02-24
2026-02-24
锂是新能源汽车与储能系统的关键原材料,其战略价值日益凸显。2025年7月,玻利维亚、阿根廷和智利组建了全球首个锂资源协调机制——“锂欧佩克(LithiumOPEC)”,通过股权管控、上调开采费与推进定价主导等方式,试图重塑全球锂资源供应链的利益分配格局。本文分析其形成背景、运作机制及对我国锂产业链的影响,并从构建自主可控供应体系、推动产业链技术迭代与协同升级、加强国家统筹与海外风险防控以及深化国际合作与全球治理参与四个维度提出应对策略,以增强供应链韧性、降低对外依赖并提升产业话语权,为我国新能源产业高质量发展与资源安全提供支撑。
作者:孙昱晗 宋双 吴喜庆 宋承斌
评论
加载更多