国标GB18384—2020规定
在最大工作电压下,直流电路绝缘电阻应不小于100Ω/V,交流电路应不小于500Ω/V。如果直流和交流的B级电压电路可导电的连接在一起,则应满足绝缘电阻不小于500Ω/V的要求。对于燃料电池电动汽车。若交流电路增加有附加防护,则组合电路至少满足100Ω/V的要求。
下图是使用诊断仪读取的绝缘电阻。

宁德时代要求绝缘阻值≤600Ω/V且≥500Ω/V限制功率到50%,绝缘阻值≤500Ω/V且≥400Ω/V限制功率到0%,绝缘阻值≤400Ω/V功率降低到0kw并执行下高压流程。
备注:绝缘检测是同时检测高压正及高压负对车身的绝缘阻值,高压线路对车身是绝缘的。
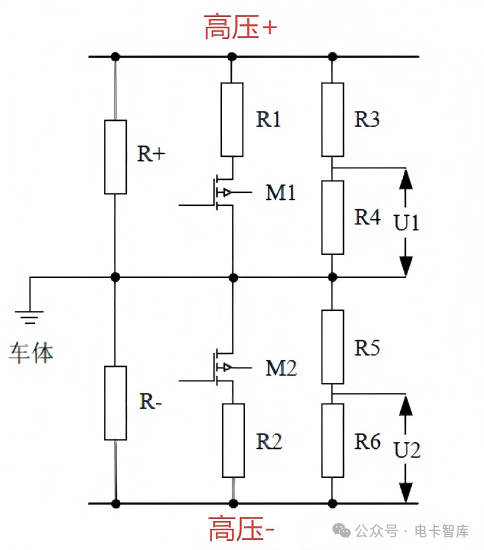
1. 车载绝缘检测原理图:
低频注入法

平衡桥法

由于绝缘检测仪的存在,在使用万用表测量高压+高压-对车身电压时具有以下特点,以400V高压为例:
理想状态下:
高压+对地电压+200V
高压-对地电压-200V
车身作为万用表的0V参考地
电压越接近于0V,说明这个线对车身的绝缘阻值越小。
2. 绝缘检测方法
使用绝缘检测仪测量绝缘电阻前,关闭钥匙门等待1分钟断开蓄电池负极等待30分钟后再测量。
下图为绝缘检测仪及使用说明

操作说明:
检测绝缘电阻时,档位选择绝缘检测档(选择量程1000V),负极性表笔(黑)接于零部件金属壳体或高压线束屏蔽层或整车低压负极(车架),正极性表笔(红)接于检测点,按下绝缘测试操作按钮,保持5-10秒钟后读取检测数据。
测试前,可将红、黑表笔短接,测试检验设备值是否正常(此时阻值应为0Ω)
3.绝缘阻值正常值(参考)
名称 |
检查项目 |
标准 |
空调压缩机 |
高压正负极与壳体之间的绝缘阻值 |
≥5 MΩ |
PTC |
高压正负极与壳体之间的绝缘阻值 |
≥5 MΩ |
驱动电机 |
驱动电机定子绕组对机壳的冷态绝缘阻值 |
≥100 MΩ |
电机控制器 |
驱动电机控制器动力端子与外壳的绝缘阻值 |
≥100 MΩ |
PDU(多合一) |
高压正负极与壳体之间的绝缘阻值 |
≥100 MΩ |
电池包总成 |
高压正负极与壳体之间的绝缘阻值 |
≥100 MΩ |
高压线 |
高压正负极与壳体之间的绝缘阻值 |
无穷大 |
高压电池 |
不含绝缘检测仪 |
≥100 MΩ |
高压电池 |
内含绝缘检测仪 |
总正>1.5MΩ 总负>1.0MΩ |
重卡新能源电池维修后,绝缘阻值应大于20MΩ.
电卡智库
龚淑娟
李峥
商用车电动化过程中,动力电池布置与轴距、转弯性能的强耦合关系构成关键技术瓶颈。本文创新 性提出“固态电池体积缩减 + 模块化立体布置”协同策略。模型计算与对比分析表明,该方案使第一轴至第二轴轴距从 4300 mm 缩短至 3300 mm(回归燃油车 3.2 ~ 3.45 m 水平),最小转弯直径降至 16.7 m(降幅 14.4%),电池布置紧凑度指数提升约 51%,突破了电动重卡高机动性与长续驶协同优化的瓶颈。
2025-11-13 李哲 薛培 濮虎 李彧 张泽宇
本文深入探究了一种创新性的压感式手动变速器变速系统及其操作机制。该系统巧妙地在手动变速杆周边集成了离合控制按钮,实现了手部直接操控离合的功能。尤为值得一提的是,该系统采用了独特的两段式变速杆设计,这一结构设计允许变速杆根据操作时的转动角度智能切换工作模式——在刚性连接模式下确保变速的精准与稳固,而在转动连接模式下则提供更为流畅的操控体验。结合精密传感器的实时监测与反馈,使得离合控制与变速操作能够完全脱离脚部依赖,仅凭手部即可完成,极大地简化了驾驶操作流程,进一步推动了驾驶舒适性与便捷性的边界。
2025-11-12 郭昌桥 代海铭 吕值敏 陈志军 向金华
本文阐述了低温对锂离子动力电池的影响,并综述了PTC加热、加热膜加热、液体加热及脉冲加热方法的工作原理、优缺点和运用实例。分析结果表明,脉冲加热法相比于其他方法更具优势。本文的研究可为后续电动汽车动力电池低温热管理系统设计提供参考。
2025-11-11 唐德钱 汪颖 向静
2026-02-26
2026-02-27
2026-02-28
2026-02-24
2026-02-24
2026-02-24
2026-02-24
锂是新能源汽车与储能系统的关键原材料,其战略价值日益凸显。2025年7月,玻利维亚、阿根廷和智利组建了全球首个锂资源协调机制——“锂欧佩克(LithiumOPEC)”,通过股权管控、上调开采费与推进定价主导等方式,试图重塑全球锂资源供应链的利益分配格局。本文分析其形成背景、运作机制及对我国锂产业链的影响,并从构建自主可控供应体系、推动产业链技术迭代与协同升级、加强国家统筹与海外风险防控以及深化国际合作与全球治理参与四个维度提出应对策略,以增强供应链韧性、降低对外依赖并提升产业话语权,为我国新能源产业高质量发展与资源安全提供支撑。
作者:孙昱晗 宋双 吴喜庆 宋承斌
评论
加载更多