0 前言
随着高压铸铝技术的发展,铸铝零件在汽车车身上的应用越来越广泛。作为汽车轻量化的主要材料,铝合金具有以下优点:能耗低,无污染,环保节能;提高结构刚性和行驶性能;提高耐蚀性;可以实现相同和不同材料连接;同样使用条件,铝比钢轻60%。在铸铝生产制造过程中,零件尺寸设计越来越大,对于铸铝技术的要求越来越高,当铸铝零件应用过程中出现损坏时,通常采用整体更换的方式,导致铸铝的损坏维修成本较高。研究铸铝零件的连接技术,能够使铸铝零件的连接加工和维修成为可行、可靠的工艺技术。
1 铸铝连接工艺的选择
铝合金连接常用的工艺包括:SPR、FDS、铝点焊、CMT焊、MIG焊、激光焊及搅拌摩擦焊等,考虑到铸铝本身特性和铸铝零件之间的连接类型,本文主要研究两种铝合金冷连接:SPR连接技术(SPR是一种高强度冷连接工艺,适用于多种材料间的连接)和FDS连接技术(FDS技术最大的特点是实现了异型材料间的单面连接),以及一种铝合金热连接:MIG焊连接技术(铸件和型材的焊接更适合使用MIG焊)。采用合适的试片尺寸、厚度及搭接方案开展连接工艺试验。
2 铸铝零件母材试验过程
(1)母材:采用铸铝零件直接切割拉伸试片,试片长度为90mm,中部宽度为6mm,厚度为3mm,如图1所示。

图1 母材试片示意
(2)母材试片拉伸测试:将母材试片进行拉伸测试,直至母材中部(截面积最小处)出现断裂失效。载荷和位移变化的典型曲线如图2所示。

图2 母材试片拉伸载荷和位移变化典型曲线
(3)母材拉伸试验数据:母材拉伸测试数据如表1所示,5次拉伸测试中抗拉强度可以达到269.7MPa以上,平均抗拉强度280.7MPa。

3 SPR连接试验过程
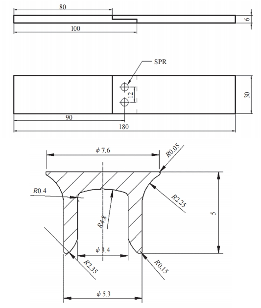
(1)母材:采用铸铝零件直接切割试片,厚度为6mm,试片长度为100mm,宽度30mm,搭接面厚度3mm,搭接面长度20mm。
(2)铆接方案:采用梯形表面对接形式、2个铆钉的连接方案,铆接试片与铆钉尺寸如图3所示,铆钉中心距为12mm。

图3 铆接试片及铆钉尺寸示意
(3)质量目标:镶嵌尺寸f1、f2大于0.1mm,底厚(下板最薄的部分)大于0.2mm,如图4所示。

图4 铆接质量目标及试片金相尺寸
(4)铆接试片金相测试:镶嵌尺寸为0.54mm,底厚为0.45mm,满足质量目标。
(5)铆接试片拉伸测试:将铆接后的试片进行拉伸试验,直至母材出现裂纹,最终导致铆接凸台脱扣失效。载荷和位移变化的典型曲线如图5所示。

图5 铆接试片拉伸载荷和位移变化典型曲线
(6)铆接拉伸试验数据:铆接拉伸测试数据如表2所示,5次拉伸测试中载荷可以达到5532N以上,平均载荷6661N。

(7)总结:采用SPR工艺方案进行连接,为了保证外观的平滑过渡,需要在连接部分加工梯形接口,用于实现SPR连接。在30mm宽度、2个铆钉的连接方案中,5次拉伸测试中最低载荷为5532N,平均载荷为6661N。在发生失效时,铆钉边缘位置会发生母材断裂,进而导致铆钉脱扣。采用铆接连接方案时,梯形接口加工难度会随零件结构复杂程度而增加,因此该方案不适用于复杂结构进行连接。
4 FDS连接试验过程
(1)母材:采用铸铝零件直接切割试片,厚度为6mm,试片长度为100mm,宽度30mm,搭接面厚度3mm,搭接面长度20mm。
(2)FDS连接方案:采用梯形表面对接形式、2个螺钉的连接方案,连接试片及螺钉尺寸如图6所示,螺钉中心距为14mm,螺钉中心距离边界10mm。

图6 FDS连接试片及螺钉尺寸示意
(3)质量目标:铸铝试片上不能出现裂纹或开裂特征、螺钉与下板咬合长度大于1.5t(t为下板板厚)。
(4)FDS连接试片金相测试:如图7所示,螺钉与下板咬合长度为5.73mm,大于下板板厚(3mm),满足质量目标。

图7 FDS连接试片金相尺寸
(5)FDS连接试片拉伸测试:将螺接后的试片进行拉伸试验,直至母材上出现裂纹,最终导致螺接凸台脱扣失效。载荷和位移变化的典型曲线如图8所示。

图8 FDS连接试片拉伸载荷和位移变化典型曲线
(6)FDS连接拉伸试验数据:测试数据如表3所示,5次试片拉伸测试中载荷可以达到6478N以上,平均载荷7281N。

(7)总结:采用FDS工艺方案进行连接,为了保证外观的平滑过渡,需要在连接部分加工梯形接口,用于实现FDS连接。在30mm宽度、2个螺钉的连接方案下,5次拉伸测试中最低载荷为6478N,平均载荷为7281N。在发生失效时,螺钉边缘位置会发生母材断裂,进而导致螺钉脱扣。采用FDS连接方案时,梯形接口加工难度会随零件结构复杂程度而增加,因此该方案不适用于复杂结构进行连接。
5 MIG焊连接试验过程
(1)试片:采用铸铝零件直接切割试片,长度为100mm,宽度为100mm,厚度为3mm,焊接面加工45°坡口,底部留有1mm钝边,不留装配间隙,如图9所示。

图9 搭接面横截面示意
(2)MIG连接方案:采用Y形坡口对接形式,底部利用陶瓷垫板防止焊液流出,如图10所示,采用MIG焊焊接,并保留焊缝余高2mm(用于排出焊缝气孔),并在焊接完成后将余高打磨平整,如图11所示。

图10 MIG焊方案

图11 焊缝截面焊后及打磨后示意
(3)质量目标:焊后上表面区域允许存在气孔,但焊缝磨平后,焊缝内部不允许存在大于0.5mm的气孔;焊缝内部无未熔合区域。
(4)MIG焊试片金相测试:MIG焊试片焊缝余高存在气孔,打磨平整后的焊缝内无气孔,不存在未融合区域,满足质量目标。
(5)MIG焊试片拉伸测试:将焊后试片进行线切割,加工为便于测试的拉伸试验试片(与母材测试试片尺寸一致),总长度90mm,宽度15mm,焊道宽度6mm。对MIG焊拉伸试验试片进行测试,直至焊缝出现断裂失效。载荷和位移变化的典型曲线如图12所示。

图12 MIG焊试片拉伸载荷和位移变化典型曲线
(6)MIG焊拉伸试验数据:测试数据如表4所示,5次拉伸测试中抗拉强度可以达到193.9MPa以上,平均抗拉强度217.2MPa。

(7)总结:采用MIG焊工艺方案进行连接,利用Y形对接形式,焊后消除余高气孔的加工措施,当焊缝截面为6mm宽、3mm厚时,5次拉伸测试中最低载荷为3490.2N,最低抗拉强度为193.9MPa,抗拉强度平均值为217.2MPa。在发生失效时,焊缝处发生断裂。采用MIG焊连接方案时,焊接面坡口可通过常规工具在铸铝零件缺陷部位进行加工,不需要特殊焊接设备,仅需采用铝合金专用焊丝即可完成MIG焊连接,因此该方案适用于铸铝零件的连接。
6 结语
连接技术是车身设计的核心技术之一,也是影响车身制造工艺的重要因素,连接工艺的应用需要综合考虑,主要取决于车身结构以及材料选择。真正有意义的轻量化,是在考虑车身安全作为最基本前提下进行的。
本文研究了铸铝零件SPR、FDS和MIG焊三种典型工况的连接方案及连接强度,三种连接工艺技术的试验,均能实现对铸铝零件之间的连接。
(1)其中在SPR和FDS两种冷连接的典型工况下,5次拉伸试验中断裂载荷分别达到5532N和6478N以上,失效模式为铆接点、螺接点周围母材断裂,主要原因为铆钉、螺钉对母材造成破坏后,局部应力集中导致。
(2)在MIG焊连接工况下,5次拉伸试验中抗拉强度平均值为217.2MPa,失效模式为焊缝断裂,主要原因为焊缝强度低于母材强度,与母材5次拉伸试验中抗拉强度平均值280.7MPa相比,强度可以达到母材的77%。
本文研究结果对未来工业生产中的铸铝连接加工提供参考依据,有助于在不同的实际工况下选用不同的工艺技术实现铸铝零件的加工和连接生产。
参考文献
[1] 于子秋.汽车车身铝合金连接工艺研究[J].汽车工艺师,2021(5):59-64.
[2] 王镝.轻量化工艺在车身开发中的应用研究[J].汽车工艺与材料,2019(1):15-23.
[3] 于欣.轻量化乘用车铸铝焊接工艺探索[J].铝加工,2019(6):61-64.
[4] 刘亦功.车身轻量化材料和工艺制造技术[J].汽车文摘,2019(1):40-44.
本文为“AI汽车制造业”首发,未经授权不得转载。版权所有,转载请联系小编授权(VOGEL100)。本文作者:李赫 李峰 王凤奇 赵醍 张玲玲 王亭力,单位:中国第一汽车集团股份有限公司 。责任编辑龚淑娟,责任校对何发。本文转载请注明来源:AI汽车制造业
AI汽车制造业
龚淑娟
李峥
随着新能源汽车行业的快速发展,电池系统的结构设计日益复杂,对模具精度、材料性能以及加工工艺提出了更高要求。本文由双盛(SUASE.NET)技术团队整理,全面分析电池箱体托盘模具与电池盒上盖模具在新能源汽车领域中的核心作用与最新技术趋势,助力行业用户深入理解复合材料模具解决方案。
2025-05-30
在全球“双碳”目标的驱动下,汽车行业正在积极寻求低碳化和可持续发展的技术路径。生物基材料以其可再生性、低碳排放和优良性能,在汽车内外饰件、功能性部件等领域展现出广阔的应用前景,为行业转型注入了绿色动力。
2025-05-29
2026-03-20
2026-03-23
2026-03-23
2026-03-24
2026-03-23
2026-03-24
2026-03-25
随着中国新能源汽车市场从“规模扩张”转向“深耕体验”,动力系统迭代成为重塑格局的核心。增程式混动作为缓解纯电出行焦虑的关键方案,从小众路线成长为车企战略高地。增程器作为决定驾驶体验的核心部件,以2025年市场占有率第一的赛力斯动力为首的各家增程器供应商围绕在油电转化率、NVH控制和动力响应等方面展开竞争,推动增程技术规模化应用,形成兼具技术与市场价值的标杆样本。本文将解析新能源汽车市场质变逻辑,梳理增程器从单点竞争到系统竞争的演进,并展望行业发展趋势。
作者:李子豪
评论
加载更多