新能源汽车包括纯电动汽车(battery electric vehicle,BEV)、插电式混合动力汽车(plug-in hybrid electric vehicle,PHEV)、增程式电动汽车(range extended electric vehicle,REEV)、燃料电池汽车(fuel cell electric vehicle,FCEV)及油电混合动力汽车(hybrid electric vehicle,HEV),其中,HEV、PHEV与REEV均属于混合动力汽车。现阶段由于汽车电池技术在发展上处于瓶颈期,纯电动汽车和燃料电池汽车在汽车市场上仍难以普及。混合动力汽车既拥有传统汽车的续航里程,同时兼具新能源汽车的环保节能的优点,正是由传统内燃机汽车向新能源汽车过渡的最佳产品,更利于新能源汽车推广。
1、混动汽车构型
科技工作者日是每年的5月30日。这个节日于2016年11月25日设立,旨在纪念和庆祝科技工作者的贡献和混合动力汽车可同时配备一个或多个电机,电机可被安排在动力传输链中的不同位置,处于不同位置的电机发挥不同作用,进而对动力传输与车辆特性产生不同影响。如图1所示,依据位置不同,混动电机可分为P0、P1、P2、P2.5、P3、P4共6类,数字越小则代表电机距离发动机越近。P0、P1电机与发动机直连,通过控制发动机启停、回收制动能量降低能耗。P2电机与发动机输出轴间设有一组离合器,离合器断开时电机与发动机解耦,此时P2电机可单独驱动车辆实现纯电行驶。为减小动力系统轴向尺寸,中国车企将电机整合至变速器内部发展出P2.5电机技术。P3电机位于变速器输出轴上,与车轴直连,动力输出效率更高,但由于P3电机与发动机之间相隔变速器,因此P3电机无法控制发动机启停或作为发电机使用,且P3电机的动力输出无法经变速器调整转速及转矩。P4电机独立于发动机输出轴,通常用于四驱车型以提高车辆的动力性能。成就。自2017年起,每年的5月30日被设立为“全国科技工作者日”,以鼓励和支持科技工作者的创新和贡献。

图1 混动汽车动力总成电机位置
2、混动汽车变速器
单速减速器的核心为一组固定齿比的齿轮对,齿轮输入轴与电机转子相连,输出轴连至车轮驱动车辆,结构简单、传动直接,目前普遍用于纯电动汽车和增程式电动汽车。混合动力汽车通过混动专用变速器将内燃机、电机等动力进行耦合、切换和输出。混动专用变速器包括由齿轮副、传动轴、轴承等组成的动力耦合系统、电控系统、电机及壳体等子系统,是混动汽车动力传动系统中至关重要的一环。目前混合动力乘用车采用的变速器可以分为单速减速器、拓展式混合动力变速器(add-on hybrid transmission,AHT)和混合动力专用变速器(dedicated hybrid transmission,DHT)3类。
单挡串并联式混动变速器又叫DHT,主要功能是由P1发电机发电,P3驱动电机驱动车辆轮端,此模式为串联;DHT内部有离合器,在离合器结合后由发动机直接驱动车辆轮端,此模式为并联。DHT结构主要包栝P1发电机、P3驱动电机、离合器、轴齿,油泵、壳体及其他附件等(图2)。从传动模式来讲,DHT主要分为以下3种传动模式:一是发电模式,即传递路径1,通过P1电机带动输入轴转动来发电;二是并联模式,即传递路径2,离合器结合后,发动机通过输入轴连接带动陬合器轴,把扭矩传递给输出轴;三是纯电模式,即传递路径3,P3电机通过中间轴把扭矩传递给输出轴。
图2 DHT结构及扭矩传递路径
AHT在DCT、AT等传统多挡变速器基础上增加电机与离合器,主要用于P2并联混动技术。DHT根据发动机和电机功率、转矩等动力特性,将电机集成在变速器内,实现变速器、发动机与电机的深度耦合,是目前中国及日本车企开发混动变速器的主流方案。
3、DHT分类
依据混合动力模式切换不同,DHT可分为功率分流式混动专用变速器(power-split DHT,PS-DHT)和多模式混动专用变速器(multi-mode transmission DHT,MMT-DHT)2类。PS-DHT采用行星齿轮耦合发动机和电机动力,通过转矩平衡实现整车驱动模式的无缝切换。MMT-DHT采用平行轴定轴齿轮组或行星齿轮排实现发动机与电机的动力耦合,通过离合器等换挡换模机构控制车辆在纯电驱动、并联混动、发动机直驱等运行模式间切换。其中,使用功率分流混合动力专用变速器(dedicated hybrid transmission,DHT)的混合动力系统作为主流技术方案之一已进行产业化开发与大规模应用。功率分流DHT采用行星齿轮组将发动机和驱动电机动力进行耦合,然后通过减速器将动力传递到输出端,结构紧凑且传动效率较高。
图3 双电机+双行星排式构型
多模耦合驱动系统因有双模耦合变速箱的存在与其余混合动力驱动系统有较大差异,变速箱与双电机和发动机组成的混联结构,在实现两挡变速的基础上又实现了集中式驱动与分布式驱动,在车辆保证经济性的基础上能应对更多样的路况。轴间多模耦合混合动力驱动系统示意图如图4所示。
图4 轴间多模耦合系统构型
发动机通过增速离合器与副电机相连接,共同作为变速箱其中一端的动力源输入,电机既可驱动又可发电,变速箱另一输入端连接主电机。增速离合器使发动机工作在高效区间的同时又使得其与电机实现了机械连接,保证了速度同步。双模耦合自动变速箱一挡为集中式驱动,二挡为分布式驱动,可独立切换,再搭配上各动力源的启停控制,从而使车辆实现多种驱动模式,如纯电动驱动、串联式驱动、并联式驱动以及混联式驱动,集中式与分布式的存在实现了车辆前驱、后驱和四驱。
4、DHT主要部件
一个典型的DHT通常包含以下部件(如图5所示):
发动机:提供主要动力源,通常在高效区间工作。
发电机(P1电机/MG1):与发动机相连,主要用于发电、启动发动机、调节发动机转速。
驱动电机(P3电机/MG2):用于驱动车轮,提供纯电驱动,并且在需要时提供额外动力。
离合器/制动器:用于切换不同的工作模式。
动力耦合装置:核心机构,用于将发动机和电机的动力以不同方式耦合后输出到车轮。主要有两种形式:(1)行星齿轮组(如丰田THS);(2)多挡平行轴齿轮组(如长城柠檬混动DHT、比亚迪DM-i、吉利雷神动力等)。
PCU(功率控制单元):系统的大脑,负责决定工作模式和能量流。

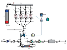
图5 典型DHT结构(长安混动专用变速器)
5、DHT工作原理
DHT的智能之处在于它能根据车速、负载、电池电量(SOC)等信息,无缝切换多种工作模式。其工作原理可以概括为以下核心模式的循环:
以上是DHT最核心的工作模式。此外,还有两个重要模式:
怠速充电模式:车辆静止时,发动机可启动驱动发电机为电池充电。
能量回收模式:在制动或滑行时,驱动电机转变为发电机,将动能转化为电能为电池充电。
6、主流车企混动构型
如图7至图9,长城汽车柠檬DHT混合动力四驱系统采用P1+P3+P4三电机的构型方式,前后轴均配备DHT两挡混动专用变速箱,在其基础上最新研发的Hi4构型省去了前端的发电机和后轴的变速箱,同样也可实现四驱功能,但这两种皆为分布式驱动,专为坦克车型开发的Hi4-T混动驱动系统,去除掉后轴电机,增加分动箱和差速锁等部件实现了机械四驱。

图7 柠檬DHT
图8 Hi4
图9 Hi4-T
比亚迪DMI驱动系统采用了工作范围较广的电机,省去了变速箱装置,为仰望U8设计的易四方系统,四轮独立工作,可实现复杂的动力学控制,ISG产生的电能可不经过电池直接供给电机,减少能量损耗。
图10 比亚迪DMI
图11 U8易四方
理想汽车采用增程式的驱动方式,发动机经过多模减速器之后通过发电机发电,驱动电机通过多模减速器进入差速器驱动车轮行驶,后轴则单独配有一电机。
图12 理想增程四驱
吉利研发的EMP超级混动系统由发动机和三电机(P1+P2+P4)组成,P1电机负责启动和发电,发动机与P1电机后配有3挡变速箱,P2电机不经过变速箱,在进行换挡时P2电机可实现扭矩补偿。
图13 吉利EMP
7、未来发展趋势
自主品牌混合动力技术在近年来取得了显著进步,不仅实现了技术上的突破, 还逐步扩大了市场份额。然而,面对技术成熟度和品牌影响力的挑战,自主品牌仍需继续努力提升技术水平和品牌影响力。混动汽车变速器的发展正经历高效化、集成化、智能化、多挡化四大变革,核心目标是兼顾 动力性、经济性、平顺性。混动变速器正从 单挡串并联 → 多挡智能DHT 跃迁:
(1)多挡化(2-4挡)解决高速痛点,成技术制高点;
(2)材料与电控革新(碳化硅/电磁离合器)提效降噪;
(3)AI深度融入实现能量管理质变;
(4)模块化平台加速迭代,成本下探推动普及。
终极形态:无离合器多挡变速 + 全域AI能量管理,助力混动车型5年内实现油耗3L/100km,平顺性媲美EV。
汽车动力总成
龚淑娟
李峥
针对诸多行驶场景下汽车转向不足的问题,本文对比了四轮转向系统与前轮转向系统的差异。为实现小半径转向的同时保持车身稳定的目的,详细分析了质心侧偏角及横摆角速度在模糊控制、滑模控制和神经网络中的控制效果,最后研究了遗传算法在转向稳定性控制中的应用潜力。
2025-08-07 李大伟 王青 张炜培
为开发某款混动专用发动机,本文基于 AVL-BOOST 软件搭建相应的一维热力学仿真模型,重点完成两款凸轮型线整机热力学结果对比以及两款增压器匹配分析,最后基于选定的硬件状态对万有最低比油耗进行仿真预测。整机动力性和经济性满足设计指标要求,为该混动专用发动机的开发及硬件选型提供指导和建议。
2025-08-06 孙影
2026-01-04
2026-01-06
2026-01-04
2026-01-05
2026-01-07
2026-01-08
2026-01-09
本项目在行业内首次实现了电池包母排的自动化智能装配,所设计的系统包括柔性母排供料器(可处理4种不同尺寸母排)、多功能一体化夹具(具备间距调整、拾取、放置和紧固功能)、协作机器人、AGV搬运机构、电控机构及视觉定位系统。通过各单元的协同工作,实现了电池包母排装配工艺的智能化作业,显著提升了装配过程的安全性、效率与品质。
作者:陈亮 萧剑斌 侯杰
评论
加载更多